Descriere
SINTESI
Actuator cu lant – Forta de tragere 200 N – Cursa de deschidere 250-380 mm
SPECIFICATII
INFO TEHNIC

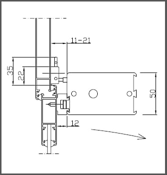
Sintesi dimensiuni
- Crt
- SURSA DE ALIMENTARE
- LEGATURI ELECTRICE
- OPERARE
- CURSA DE DESCHIDERE
- FORTA IMPINGERE
- FORTA TRAGERE
- VITEZA
- ABSORBTIE
- CONEXIUNE PARALELA
- LIMITATOR
- OPRIRE DE SIGURANTA
- SEMNALIZARE
- CLASA DE PROTECTIE
- SINTESI 2000
- 230 VAC +/- 10%
- 3 fire + imapamantare
- –
- Selectabil 250/380 mm
- 180 N (cursa 250mm) sau 90 N (cursa 380mm)
- 300 N
- ~ 40 mm/s
- 0,65 A
- Da
- Micro switch
- Termic
- La inchidere
- IP20
- SINTESI 24 V DC
- 230 VAC +/- 10%
- 2 fire
- polarizare inversa
- Selectabil 250/380 mm
- 180 N (cursa 250mm) sau 90 N (cursa 380mm)
- 200 N
- ~ 14 mm/s
- 1 A
- Da
- Micro switch
- Termic
- La inchidere/deschidere
- IP20
ACCESORII

Brat culisant de fixare

Brat din plastic pentru balama inferioara

Brat culisant lung din aluminiu

Brat metalic pentru balama inferioara

Tija pentru montare in toc

Brat reglabil din aluminiu pentru balama inferioara

Brat pivotant din aluminiu
EXEMPLE MONTAJ
LA FERESTRE CU BALAMA SUPERIOARA

Fereastra cu balama superioara

Montaj pe toc cu brat culisant de fixare
LA FERESTRE CU BALAMA INFERIOARA

Fereastra cu balama inferioara

Montaj cu brat culisant de fixare

Montaj pe toc













































